10

Apr . 2023

SiC MOSFET的设计挑战—如何平衡性能与可靠性

分享至

碳化硅(SiC)的性能潜力是毋庸置疑的,但设计者必须掌握一个关键的挑战:确定哪种设计方法能够在其应用中取得最大的成功。

图1:SiC MOSFET的鲁棒性和制造稳定性(右)必须与性能参数(左)相平衡

先进的器件设计都会非常关注导通电阻,将其作为特定技术的主要基准参数。然而,工程师们必须在主要性能指标(如电阻和开关损耗),与实际应用需考虑的其他因素(如足够的可靠性)之间找到适当的平衡。


优秀的器件应该允许一定的设计自由度,以便在不对工艺和版图进行重大改变的情况下适应各种工况的需要。然而,关键的性能指标仍然是尽可能低的比电阻,并结合其他重要的参数。图1显示了我们认为必不可少的几个标准,或许还可以增加更多。

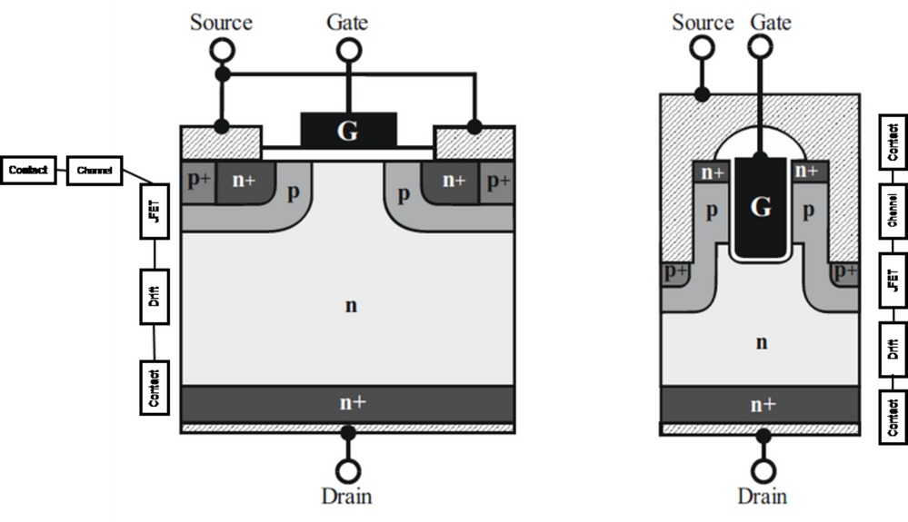
图2:平面DMOS SiC MOSFET(左)和垂直沟槽TMOS SiC MOSFET的剖面图,以及与电阻有关的贡献的相应位置

元件在其目标应用的工作条件下的可靠性是最重要的验收标准之一。与已有的硅(Si)器件的主要区别是:SiC元件在更强的内部电场下工作。因此,设计者应该非常谨慎地分析相关机制。硅和碳化硅器件的共同点是,元件的总电阻是由从漏极和源极的一系列电阻的串联定义的。


这包括靠近接触孔的高掺杂区域电阻、沟道电阻、JFET(结型场效应晶体管)区域的电阻以及漂移区电阻(见图2)。请注意,在高压硅MOSFET(金属氧化物半导体场效应晶体管)中,漂移区阻显然在总电阻中占主导地位。而在碳化硅器件中,工程师可以使用具有更高电导率的漂移区,从而降低漂移区电阻的总比重。

图3 左图:平面MOSFET(半元胞)的典型结构。它显示了与氧化物场应力有关的两个敏感区域。

图3 右图:沟槽式MOSFET(半元胞)的典型结构。这里的关键问题是沟槽边角的氧化层应力。

设计者必须考虑到,MOSFET的关键部分——碳化硅外延与栅极氧化层(二氧化硅)之间的界面,与硅相比有以下差异:


  • SiC的单位面积的表面态密度比Si高,导致Si-和C-悬挂键的密度更高。靠近界面的栅极氧化层中的缺陷可能在带隙内出现,并成为电子的陷阱。
  • 热生长氧化物的厚度在很大程度上取决于晶面。
  • 与硅器件相比,SiC器件在阻断模式下的漏极诱导电场要高得多(MV而不是kV)。这就需要采取措施限制栅极氧化物中的电场,以保持氧化物在阻断阶段的可靠性。另见图3:对于TMOS(沟槽MOSFET),薄弱点是沟槽拐角,而对于DMOS(双扩散金属氧化物半导体),薄弱点是元胞的中心。
  • 与Si器件相比,SiC MOS结构在给定的电场下显示出更高的隧穿电流,因为势垒高度较低。因此,工程师必须限制界面上SiC一侧的电场。


上面提到的界面缺陷导致了非常低的沟道迁移率。因此,沟道对总导通电阻的贡献很大。所以,SiC相对于硅,因为非常低的漂移区电阻而获得的优势,被较高的沟道电阻削弱。



控制栅氧化层的电场强度


一个常用的降低沟道电阻的方法,是在导通状态下增加施加在栅氧化层上的电场——或者通过更高的栅源(VGS(on))偏压进行导通,或者使用相当薄的栅极氧化层。所应用的电场超过了通常用于硅基MOSFET器件的数值(4至5MV/cm,而硅中最大为3MV/cm)。在导通状态下,处于这种高电场的栅氧化层有可能加速老化,并限制了筛选外在氧化物缺陷的能力[1]。

基于这些考虑,很明显,SiC中的平面MOSFET器件实际上有两个与氧化物场应力有关的敏感区域,如图3的左边部分所示。首先,在反向阻断模式下,漂移区和栅极氧化物界面存在高电场应力。其次,栅极和源极之间的重叠部分在导通状态下有应力。


在导通状态下的高电场被认为是更危险的,因为只要保证导通时的性能,就没有器件设计措施可以减少导通状态下的电场应力。我们的总体目标是在尽量减小SiC的RDS(on)的同时,保证栅极氧化层安全可靠。


因此,我们决定放弃DMOS技术,从一开始就专注于沟槽型器件。从具有高缺陷密度的晶面转向其他更有利的晶面方向,可以在低栅氧化层场强下实现低通道电阻。

图4:CoolSiC™ MOSFET元胞结构剖面图

我们开发了CoolSiC™ MOSFET元胞设计,以限制通态和断态时栅极氧化物中的电场(见图4)。同时,它为1200V级别提供了一个有吸引力的比导通电阻,即使在大规模生产中也能以稳定和可重复的方式实现。低导通电阻使得VGS(on)电压可以使用低至15V的偏压,同时有足够高的栅源-阈值电压,通常为4.5V。这些数值是SiC晶体管领域的基准。


该设计的特点包括通过自对准工艺将沟道定位在一个单一的晶面。这确保了最高的沟道迁移率,并缩小了阈值电压分布范围。另一个特点是深p型与实际的MOS沟槽在中心相交,以便允许窄的p+到p+间距尺寸,从而有效地屏蔽沟槽氧化层拐角。


总之,我们可以说,应用于我们的CoolSiC™器件的设计理念不仅提供了良好的导通电阻,而且还为大规模生产提供了可靠的制造工艺。

半导体组件问询单
如对本公司产品有任何问题(产品报价、技术咨询、产品文件、样品索取、合作代理等),都可通过咨询表单和我们联络,将有专人回复。
隐私权暨个人资料保护声明

STEP

01
!

有标示 必填栏位,请确实填写,谢谢

咨询需求
市场应用

咨询商品

备注内容

下一步,联系资料填写

STEP

02
!

有标示 必填栏位,请确实填写,谢谢

公司名称
所属部门
联络人
职称
联络电话
邮箱
联络地址
交货地址
是否为同行
验证码
订阅电子报
!

有标示 * 必填栏位,请确实填写,谢谢。

公司名称
所属部门
姓名
职称
联系电话
选择电子报语言
邮箱
验证码