20

Apr . 2023

集成电源管理的160V三相MOTIX™门级驱动器

分享至

我们身边有很多电池供电的应用比如打扫卫生时使用的手持吸尘器、装家具时使用电动工具、大街上穿梭的电动自行车、随处可见的服务机器人和公园里看到的无人机等,这些应用有一些共有的特点,就是设计紧凑并因地制宜的充分利用空间!


  • 160V绝缘体上的硅(SOI)技术
  • Io+/Io- 1A/2A驱动电流(典型峰值)
  • 用于100%占空比的集成涓流充电泵
  • 集成的电源管理单元(PMU)
  • 集成的过流保护功能(ITRIP),有四个可选择的阈值
  • 集成的电流采样运放(CSA),有四个可选择的增益
  • 2kV HBM ESD
  • 5x5mm² QFN-32封装


它是一款160V栅极驱动器,用来适配低压MOSFET,继而驱动直流无刷电机,支持6V~140V的输入电压。6ED2742S01Q有一个集成的电源管理单元,包括一个线性预调器和电荷泵,能提供一个稳定的12V的VCC以驱动MOSFET。它在宽输入电压下工作,适合宽电池电压,如10.8V到96V。6ED2742S01Q通过集成PMU、自举二极管、ITRIP、电流感应放大器、电荷泵,降低了系统成本。它还具有卓越的抗闩锁能力,使其成为各种应用的简约和低成本的解决方案,如电动工具、机器人、无人机、低速电动汽车、吸尘器和户外园艺工具。该芯片集成度高、封装小巧,是电池供电应用的理想选择。

图1.6ED2742S01Q PMU在配置1中工作

首先介绍一下该产品非常吸引人的几个特色功能。


01 驱动器自带的电源管理功能

PMU针对不同电池电压的应用场景,有如下三个配置模式。


     配置1:直连电荷泵     


一般情况下MOSFET的驱动电压是12V,如果电池电压不到12V时,往往需要一级开关电源获取稳定的驱动VCC电压,但是这样就增加了电路的复杂程度。内置的电荷泵刚好解决了这个痛点。当电池电压在6V到20V之间时,可以将电池直接连接VREG,如图1所示;对于该功能设计的典型电压为12V,即当电池电压是12V时电荷泵的输出电流ICP_AVG为额定电流15mA,并且电荷泵的输出电压,即驱动电压也为12V;电池电压低于12V时,ICP_AVG会降低至10mA,但是由于电荷泵的作用,电荷泵的输出电压仍为12V;如果电池电压低于7V,电荷泵的输出电压会降低,具体见图1。

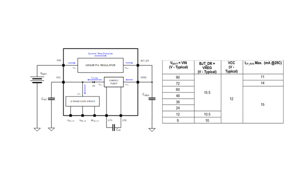
图2.6ED2742S01Q PMU在配置2中工作

     配置2:直连LDO     


如果电池电压在20V~90V之间,可将电池直接连接VIN。此时电池电压经一级LDO降至15.5V,再通过电荷泵得到12V的VCC电压。电池电压高于60V的时候,电荷泵的输出电流会ICP_AVG低于15mA。

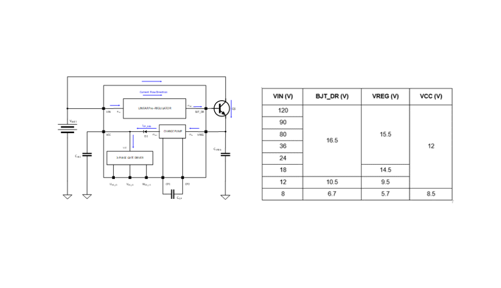
图3.6ED2742S01Q PMU在配置3中工作

     配置3:外接BJT     


如果电池电压在90V~120V之间,还可外接一个BJT于接口BJT_DR,如图3所示,此时PMU在工作在配置3。

图4.电流采样运放和时序框图

02 单电阻电流采样运放(CSA)


6ED2742S01Q内置了可用于电流检测的运算放大器,该运放具有四个可配置增益,分别为5、10、20、40。内置的运放可以检测功率地(COM脚)和逻辑地(VSS脚)之间的电压。该功能可以帮助减少外置的运算放大器,无需另外从电阻两端引线,减少了外围所需的元器件数量和PCB面积。需要注意的是该功能仅适用于单电阻采样的情况。


STR输入信号可帮助读取输出偏置电压从而进行校准。正常工作:STR信号为LOW,CSA输出信号CSO是跟随VSS-COM电压乘以一定增益。当STR信号为高时,CSO信号可以用来报告运放偏移。CSO输出增加了150mV VSS以上的偏置。这保证了在不同的增益设置、温度和电压变化下,输出电压偏移始终为正。

图5.过流保护电路

03 ITRIP 过流保护功能

6ED2742S01Q也内置了可用于过流保护的高精度比较器,能够在1us内快速响应在DC-母线上采样到的过流,从而关闭输出,如图5所示,其中DC BUS-连接的是功率地VSS,COM脚作为芯片的数字地。同时该芯片的过流保护点阈值是可调的,可以根据表1设置不同的阈值电压。

表1.过流保护阈值配置表

图6.数字地与功率地

在这里需要特别提醒的是,一定要注意两个地的布线与连接:数字地(VSS)和功率地(COM),采样电阻也要放在这两个地之间!如果驱动器的地的电位与控制器的地的电位相差太大,就会引起驱动器误触发。单一的地很容易引起这种问题,所以采用独立的电源地和信号地来避免这样的问题并减少了噪音的影响。


此外,自举电容等浮地的器件尽量靠近芯片相关引脚,并尽可能减小噪声环路,建议使用1uF的供电电容。减小驱动环路不仅减少接受和发射的电磁噪声,还可以降低门极寄生导通的风险。减少功率回路的杂散电感有助于抑制开关产生的相电压瞬态负压-Vs,从而保证驱动器能正常工作。

总结一下

160V三相MOTIX™门级驱动器6ED2742S01Q,通过其集成的自举二极管、PMU、CSA和过流保护比较器,可以帮助工程师大大降低系统的元器件数量和产品所需要的PCB板面积。从而给外观设计留下更大的施展空间,让产品更加灵活多变、美轮美奂。

图7.6ED2742S01Q参考板

以上就是该芯片几个非常有意思的功能,看了这些功能介绍,如果想进一步了解该芯片的使用,英飞凌还有该芯片的DEMO板可供参考,如图7所示。有兴趣的朋友可以点击文末阅读原文,获取产品规格书,规格书中有该DEMO板的原理图和PCB layout图片。

半导体组件问询单
如对本公司产品有任何问题(产品报价、技术咨询、产品文件、样品索取、合作代理等),都可通过咨询表单和我们联络,将有专人回复。
隐私权暨个人资料保护声明

STEP

01
!

有标示 必填栏位,请确实填写,谢谢

咨询需求
市场应用

咨询商品

备注内容

下一步,联系资料填写

STEP

02
!

有标示 必填栏位,请确实填写,谢谢

公司名称
所属部门
联络人
职称
联络电话
邮箱
联络地址
交货地址
是否为同行
验证码
订阅电子报
!

有标示 * 必填栏位,请确实填写,谢谢。

公司名称
所属部门
姓名
职称
联系电话
选择电子报语言
邮箱
验证码